行业新闻

搜索:

热门分类:

科华工频UPS和高频UPS的区分

2025-04-18   17:29:55   来自:723h

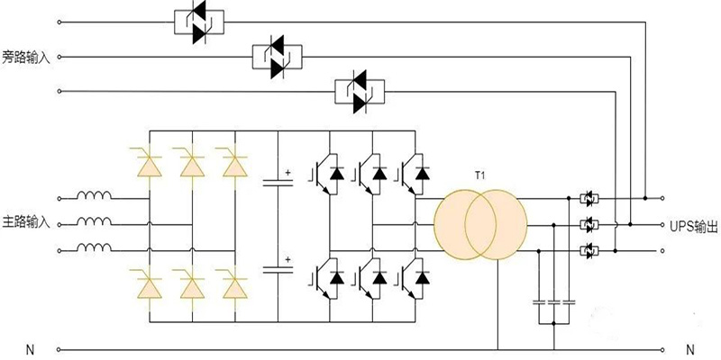
科华工频UPS的整流器使用半控器件晶闸管SCR,逆变器使用全控器件IGBT,逆变输出使用隔离变压器升压。因其整流器和输出隔离变压器工作频率均为工频50Hz,因此称作工频UPS。
123456.jpg                                                                          图1:工频UPS

   如图1所示整流部分的标黄色的晶闸管器件和输出部分的变压器均工作于工频50Hz,主路输入三相交流输入通过三组晶闸管SCR桥臂组成的整流器整流成直流电压。通过控制晶闸管SCR的导通角来调节输出直流电压值。由于晶闸管SCR属于半控器件,整流驱动板只能够控制开通点,一旦晶闸管SCR导通之后,即使门极驱动撤消也无法关断,只有等到其流过电流为零之时才能自然关断,所以它的开通和关断是基于一个工频周期,无法高频的开通和关断控制。晶闸管SCR整流器属于降压整流,因此直流母线电压再经逆变输出的交流电压会比交流输入电压低,要使输出相电压能够为220V电压,必须在逆变输出后增加工频升压隔离变压器。     工频UPS直流母线电压通常为300V~500V之间,可直接连接蓄电池组。按整流器晶阐管数量的不同,工频机通常分为6脉冲和12脉冲两种类型。6脉冲指以6个晶闸管可控硅组成的全桥整流;12脉冲是由两个6脉冲整流器组成,第一个6脉冲整流器是交流输入直接供电,另一个6脉冲整流器是将输入交流电经移相变压器移相30度角后供电。注意:只有工频UPS才有6脉冲和12脉冲整流器的说法。
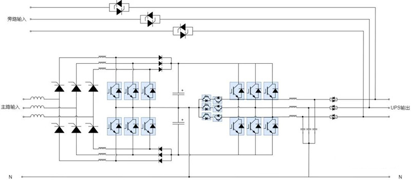
  高频UPS的整流器和逆变器通常是由全控器件IGBT组成,IGBT可以通过控制在其门极的驱动电压来控制IGBT的开通与关断,IGBT开关频率通常在几K到几十KHz,甚至高达上百KHz,相对于50Hz工频而言这称之为高频UPS。
23456789.jpg                                                                               图2:高频UPS

   如图2所示,标蓝色的整流PFC部分的IGBT和逆变器件IGBT都工作于高频状态,高频UPS的整流属于升压整流模式,其输出直流母线的电压比输入线电压的峰峰值高,一般为800V左右,如果蓄电池直接挂接母线,单组所需配置的电池节数就会很多,给实际应用带来很大的困难。因此一般高频UPS会配置一个电池变换器,市电正常的时候电池变换器把母线800V的母线电压降压到合适的电池组电压;需要电池组放电时,电池变换器把电池组电压升压到800V的母线电压,从而实现电池的充放电管理。由于高频机母线电压为800V左右,
所以逆变器输出相电压可以直接达到220V,逆变器输出之后也就无需工频升压变压器。

上一条:使用科华UPS电源外配电池进行开机调试 下一条:科华UPS常见故障及处理方法 返回列表